محصولات
مدار شکن 12 کیلو ولت در فضای باز روی قطب نصب شده
  • مدار شکن 12 کیلو ولت در فضای باز روی قطب نصب شدهمدار شکن 12 کیلو ولت در فضای باز روی قطب نصب شده
  • مدار شکن 12 کیلو ولت در فضای باز روی قطب نصب شدهمدار شکن 12 کیلو ولت در فضای باز روی قطب نصب شده
  • مدار شکن 12 کیلو ولت در فضای باز روی قطب نصب شدهمدار شکن 12 کیلو ولت در فضای باز روی قطب نصب شده

مدار شکن 12 کیلو ولت در فضای باز روی قطب نصب شده

Model:ZW20-12F
Anqiang Power یک شرکت چینی تولید کننده کلیدهای مدار 12 کیلو ولتی در فضای باز است. این تجهیزات توزیع برق روی قطب نصب شده در فضای باز دارای ولتاژ نامی 12 کیلو ولت است و در سه فاز AC 50 هرتز کار می کند. هنگامی که با یک کنترلر استفاده می شود، دارای قابلیت های باز بست عالی است که نیازهای سیستم های اتوماسیون توزیع را برآورده می کند. در درجه اول برای روشن و خاموش کردن جریان های بار و جریان های اتصال کوتاه در سیستم های قدرت 10 کیلو ولت استفاده می شود و در پست ها و سیستم های توزیع شرکت های صنعتی و معدنی استفاده می شود.

قطع کننده مدار 12 کیلو ولتی ZW20-12F در قطب بیرونی ساخته شده توسط Anqiang به طور یکپارچه عملکردهای قطع کننده مدار خلاء، بازگیر و قطعه ساز را یکپارچه می کند.  محفظه تجهیزات آن از فن‌آوری ساختار عایق، ضد انفجار و ضد انفجار VSP5 توشیبا استفاده می‌کند. لوله های خط ورودی و خروجی نیز برای عملکرد بهتر آب بندی بهبود یافته اند. مکانیسم عملکرد فنر کوچک شده است و مدار اصلی مقاومت تماس پایینی دارد. بنابراین، این قطع کننده مدار ولتاژ بالا در فضای باز محصولی بدون نیاز به تعمیر و نگهداری و انتخابی ارجح برای قطع کننده های مدار نصب شده در قطب است.

عکس های واقعی محصول

12KV Outdoor Pole Mounted Circuit Breaker

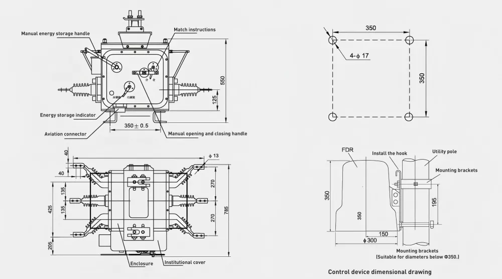
نمودار ابعاد محصول

12KV Outdoor Pole Mounted Circuit Breaker

پارامترهای فنی

پروژه

مقدار پارامتر

ولتاژ نامی

12 کیلو ولت

فرکانس نامی

50 هرتز

جریان نامی

630/1000 A

جریان قطع نامی اتصال کوتاه

20/25 کیلو آمپر

حداکثر جریان مقاومتی نامی

50/63 کیلو آمپر

دارای جریان مقاومت کوتاه مدت

20/25 کیلو آمپر

جریان تولید اتصال کوتاه نامی

50/63 کیلو آمپر

توالی عملیاتی دارای رتبه

باز کردن - 0.3 ثانیه - بستن - 180 ثانیه - باز کردن - بستن

عمر مکانیکی

10000 بار

چرخه های قطع جریان نامی

10000 بار

ظرفیت نامی قطع اتصال کوتاه

30 بار

فشار نامی گاز SF6

0 مگاپاسکال


مزایای محصول

این قطع کننده مدار 12 کیلو ولت در فضای باز دارای حفاظت در برابر جریان اضافه و نشانگر ذخیره انرژی فنر مکانیزم است.  همچنین مجهز به کانکتور هوانوردی برای اتصالات الکتریکی ثانویه است که ادغام با کنترل کننده های هوشمند را تسهیل می کند. عملکرد الکتریکی و مکانیکی عالی آن باعث می شود که مدار شکن خلاء نصب شده بر روی قطب در فضای باز ZW20-12F به طور گسترده قابل استفاده باشد.


تگ های داغ: مدار قطع کننده مدار 12 کیلو ولت در فضای باز، قطع کننده مدار الکتریکی در فضای باز، سازنده مدار قطع کننده مدار ولتاژ بالا
ارسال استعلام
اطلاعات تماس
  • نشانی

    منطقه صنعتی Jinlu، شهر Beibaixiang، شهر Yueqing، شهر Wenzhou، استان ژجیانگ، چین

  • تلفن

  • پست الکترونیک

    john@chaqele.com

برای پرس و جو در مورد کلید مدار، سوئیچ بار، کلید قطع اتصال یا لیست قیمت، لطفا ایمیل خود را به ما بسپارید و ما ظرف 24 ساعت با شما تماس خواهیم گرفت.
X
ما از کوکی ها استفاده می کنیم تا تجربه مرور بهتری به شما ارائه دهیم، ترافیک سایت را تجزیه و تحلیل کنیم و محتوا را شخصی سازی کنیم. با استفاده از این سایت، شما با استفاده ما از کوکی ها موافقت می کنید. سیاست حفظ حریم خصوصی
رد کردن قبول کنید